Currículo Integral:Cubre las cuatro características esenciales de los LED: luz, electricidad, color y calor.
Diseño modular:Cuenta con módulos de experimento independientes pero de apoyo con claras divisiones funcionales para una fácil comprensión.
Diseño orientado a la enseñanza:Incluye software y aparatos con todas las funciones diseñados para los estándares educativos, que promueven la comprensión lógica y el aprendizaje teórico.
Pruebas estandarizadas:Sigue estrictamente los estándares internacionales autorizados para parámetros como la intensidad de la luz (estándar CIE) y el flujo luminoso (método de esfera integradora).
Experimento de prueba característica Volt-Ampere.
Experimento de relación entre la intensidad de la luz y la corriente.
Experimento de relación entre flujo luminoso y corriente.
Experimento de medición de las características de distribución espacial de la luz de salida LED.
Experimento de medición de parámetros de cromaticidad de diferentes LED.
Experimento de medición del coeficiente VT (ondulación) de la fuente de alimentación de pulso.
Experimento de medición del coeficiente K.
Experimento de medición de temperatura de unión y resistencia térmica.
No. | Nombre de la pieza | Parámetro principal |
1 | Fuente de alimentación LED I (fuente de corriente constante) | Entrada 110V/220V, Salida 0 ~ 50/500mA, rango de voltaje 0-10V |
2 | Fuente de alimentación LED II (fuente de tensión constante) | Entrada de 110V/220V, salida de 0 a 10V; rango de corriente de 0 a 0,1A |
3 | Fuente de alimentación de pulso (programable) | Salida de corriente pequeña que varía de 0 a 50 mA; salida de corriente grande De 50 a 500 mA. |
4 | Fuente de alimentación de control de temperatura | Rango de calefacción: 0 - 100 ℃ |
5 | Iluminómetro con detector | Valores medibles de iluminancia y flujo luminoso, rango de iluminancia: 0.001 LX a 2000 LX; Rango de flujo luminoso: 0.001 LM a 999 LM; |
6 | Fuente de alimentación RGB (fuente de corriente constante) | Salida de corriente trifásica |
7 | Espectrómetro de fibra | Rango de longitud de onda: 350-1050nm, resolución 2nm |
8 | Fuente de luz de tungsteno de refrigeración del ventilador | Rango de longitud de onda: 400 nm-2000 nm Método de enfriamiento: ventilador |
9 | Sistema controlador de temperatura | Rango de calefacción 0 ~ 100 ℃ |
10 | Esfera de integración | Esfera integradora de radiación |
11 | Soporte y accesorio LED | Diámetro 50mm |
No. | Nombre de la pieza | Modelo | Cantidad |
1 | Fuente de alimentación LED I (fuente de corriente constante) | BEM-5036 | 1 |
2 | Fuente de alimentación LED I (fuente de voltaje constante) | BEM-5035 | 1 |
3 | Fuente de alimentación de pulso (programable) | BEM-5037 | 1 |
4 | Fuente de alimentación de control de temperatura | BEM-5038 | 1 |
5 | Iluminómetro con detector | BEM-5409 | 1 |
6 | Espectrómetro de fibra | BIM-6001-06 | 1 |
7 | Fuente de luz de tungsteno de refrigeración del ventilador | BIM-6210 | 1 |
8 | Sistema controlador de temperatura | BEM-5040A | 1 |
9 | Esfera de integración | BEM-5216-15003 | 1 |
10 | Soporte y accesorio LED | BEM-5217 | 1 |
11 | Plataforma de ajuste para la fuente de luz | BEM-5214 | 1 |
12 | Tubo de apertura con soporte | BEM-5215 | 1 |
13 | Apertura | BEM-5221-03 | 1 |
14 | Pantalla de visualización | BEM-5410 | 1 |
15 | Pista | BEM-5201-06 | 1 |
16 | Portador | BEM-5204-50 | 1 |
17 | Soporte de poste ajustable | BEM-5205-25 | 1 |
18 | Póster | BEM-5209-09 | 1 |
19 | Fibra de cuarzo | SIM-6102-0605-S/S-P | 1 |
20 | Módulo láser con fijación | BEM-5047 | 1 |
21 | Muestras de prueba LED con estuche de almacenamiento | BEM-5048 | 1 |
22 | Cable de alimentación | BC-105075 | 4 |
23 | Cable DE DATOS USB | BC-105080 | 2 |
24 | 4mm Plátano Enchufe Cable Conector, Rojo | BC-105084 | 6 |
| 25 | 4mm Plátano Enchufe Cable Conector, Negro | BC-105083 | 6 |
1. Experimento de conversión eléctrica y electroóptica

2. medir los parámetros de cromaticidad de diferentes LEDs

3. Experimento de distribución espacial de luz (curva de distribución de luz)

La curva que muestra la variación del promedio
Intensidad de luz en el espacio unidimensional con la corriente

Distribución espacial bidimensional de la luz
(Distribución de la luz) curva
4.Investigar la relación entre corriente, flujo luminoso y eficiencia luminosa

La curva que muestra la relación entre la corriente y el flujo luminoso

La curva que muestra la relación entre la eficiencia actual y luminosa
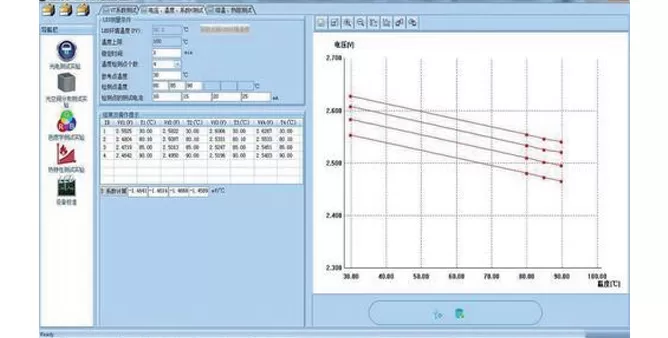
6. Experimento de prueba característica térmica
Este módulo se utiliza para medir y calcular el coeficiente K, la resistencia térmica y la temperatura de unión de los LED. La configuración experimental incluye un sistema de control de temperatura, una fuente de alimentación de control de temperatura y una fuente de alimentación de pulso. Después de que comienza el experimento, la curva de voltaje-tiempo se puede mostrar en tiempo real en la interfaz del software, lo que permite el análisis de la temperatura de la Unión y la resistencia térmica en el estado estable.

Pequeña prueba de coeficiente de corriente K
