Resolución óptica: hasta 0.08nm
Diseño compacto: tamaño de la palma para una fácil operación
Ruta óptica: Configuración de C-T asimétrica cruzada con filtro de interferencia para supresión de difracción de segundo orden
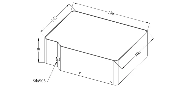
Conectividad de fibra: Conector de fibra óptica SMA905 para una integración perfecta con dispositivos externos
Configuración flexible: rango de longitud de onda seleccionable y resolución óptica
Interfaz: 2,0 USB para transferencia de datos simultánea y fuente de alimentación
Protocolo de comunicación: soporte RS232
Opciones de disparo: múltiples modos de disparo disponibles
Software avanzado: cálculo automatizado de longitud de onda máxima y ancho de banda
Personalización: Soporta SDK para el desarrollo secundario y la integración del OEM
Longitud de onda central láser, FWHM y medición de estabilidad
Medición del espectro de emisión y absorción
Pruebas de transmitancia y absorbancia
Detección de fluorescencia
Medición de color
Medición LED/LIBS
Pruebas del espectro de energía solar
Modelo | BIM-6602A |
Rango de longitud de onda | 180nm-1100nm opcional |
Resolución | Óptimo ~ 0,08 nm |
Conector de fibra | SMA905 |
Tipo de DetectorType | CMOS lineal Hamamatsu S11639 |
Detector de píxeles | 2048 píxel, cada píxel 14μm × 200μm |
Relación señal a ruido | 600:1 |
Resolución A/D | 16 bits |
Tiempo de integración | 0,5 MS-65S |
Rango dinámico | 10000:1 |
Modelo de gatillo | Modo normal, software, hardware, disparador de sincronización |
Consumo de energía | 250mA,5VDC |
Temperatura de funcionamiento | 5 ℃-35 ℃(25 ℃ recomendado) |
Interfaz de comunicación | USB2.0(12Mbps) RS232(115200bps) |
Sistema de la operación | Win XP,Win7,Win8,Win10 |
Linealidad | > 99% |
Fuente de alimentación | USB |
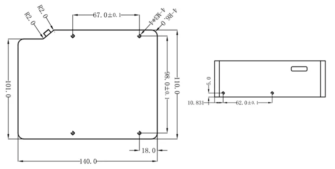
Dimensión | 140mm x 110mm x 46mm |
Peso | 0,7Kg |
# | Descripción DE LA PARTE | Cantidad |
1 | Espectrómetro | 1 |
2 | Cable USB | 1 |
3 | Informe de calibración (QRCode para descargar software y manual) | 1 |
4 | Caja de embalaje | 1 |
Modelo | Modelo completo | Rango de longitud de onda | Resolución |
BIM-6602A-01 | BIM-6602A-01-S03L00F00G14 | 200-420 Nm | ~ 0,3 nm |
BIM-6602A-02 | BIM-6602A-02-S01L00F06G11 | 200-1000 nm | ~ 0,8 nm |
BIM-6602A-03 | BIM-6602A-03-S02L00F05G12 | 380-900 nm | ~ 0,8 nm |
BIM-6602A-04 | BIM-6602A-04-S02L00F00G23 | 305-595 nm | ~ 0,3 nm |
BIM-6602A-05 | BIM-6602A-05-S02L00F08G08 | 900-1000 nm | ~ 0,15 nm |
BIM-6602A-05-S02L00F00G08 | 900-1000 nm | ~ 0,15 nm | |
BIM-6602A-05-S02L01F08G08 | 900-1000 nm | ~ 0,15 nm | |
BIM-6602A-05-S03L01F08G08 | 900-1000 nm | ~ 0,3 nm | |
BIM-6602A-06 | BIM-6602A-06-S01L00F00G26 | 600-1100 nm | ~ 0,6 nm |
BIM-6602A-06 | BIM-6602A-06-S01L00F08G26 | 600-1100 nm | ~ 0,6 nm |
BIM-6602A-07 | BIM-6602A-07-S02L00F05G25 | 330-770 nm | ~ 0,7 nm |
BIM-6602A-08 | BIM-6602A-08-S02L00F00G10 | 500-720 nm | ~ 0,2 nm |
BIM-6602A-08 | BIM-6602A-08-S02L00F05G10 | 500-720 nm | ~ 0,2 nm |
BIM-6602A-09 | BIM-6602A-09-S01L01F00G27 | 800-1000 nm | ~ 0,1 nm |
BIM-6602A-09 | BIM-6602A-09-S01L01F08G27 | 800-1000 nm | ~ 0,1 nm |
BIM-6602A-10 | BIM-6602A-10-S02L00F00G08 | 250-400 nm | ~ 0,15 nm |
BIM-6602A-11 | BIM-6602A-11-S02L00F00G10 | 390-610 nm | ~ 0,2 nm |
BIM-6602A-12 | BIM-6602A-12-S01L00F06G11 | 300-1100 nm | ~ 0,8 nm |
BIM-6602A-13 | BIM-6602A-13-S02L00F05G12 | 340-850 nm | ~ 0,8 nm |
BIM-6602A-14 | BIM-6602A-14-S01L01F08G08 | 795-905 nm | ~ 0,1 nm |
BIM-6602A-15 | BIM-6602A-15-S02L01F08G08 | 1005-1080 nm | ~ 0,15 nm |
BIM-6602A-16 | BIM-6602A-16-S02L00F08G08 | 750-870 nm | ~ 0,15 nm |
BIM-6602A-17 | BIM-6602A-17-S02L00F00G30 | 250-350 nm | ~ 0,1 nm |
BIM-6602A-18 | BIM-6602A-18-S02L00F00G30 | 350-450 nm | ~ 0,1 nm |
BIM-6602A-18-S01L02F00G30 | 350-450 nm | ~ 0,08 nm | |
BIM-6602A-19 | BIM-6602A-19-S01L01F08G30 | 660-734 nm | ~ 0,08 nm |
BIM-6602A-20 | BIM-6602A-20-S03L00F00G14 | 180-400 nm | ~ 0,3 nm |
BIM-6602A-21 | BIM-6602A-21-S02L00F08G08 | 580-715 nm | ~ 0,15 nm |
BIM-6602A-22 | BIM-6602A-22-S02L00F10G08 | 510-650 nm | ~ 0,15 nm |
BIM-6602A-23 | BIM-6602A-23-S02L00F06G25 | 250-650 nm | ~ 0,7 nm |
Software de espectro BSV
