Resolución óptica: hasta 0.1nm
Diseño compacto: tamaño de la palma para una fácil operación
Ruta óptica: Configuración de C-T asimétrica cruzada con filtro de interferencia para supresión de difracción de segundo orden
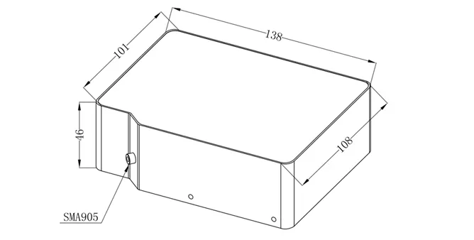
Conectividad de fibra: Conector de fibra óptica SMA905 para una integración perfecta con dispositivos externos
Configuración flexible: rango de longitud de onda seleccionable y resolución óptica
Interfaz: 2,0 USB para transferencia de datos simultánea y fuente de alimentación
Protocolo de comunicación: soporte RS232
Opciones de disparo: múltiples modos de disparo disponibles
Software avanzado: cálculo automatizado de longitud de onda máxima y ancho de banda
Personalización: Soporta SDK para el desarrollo secundario y la integración del OEM
Longitud de onda central láser, FWHM y medición de estabilidad
Medición del espectro de emisión y absorción
Pruebas de transmitancia y absorbancia
Detección de fluorescencia
Medición de color
Medición LED/LIBS
Pruebas del espectro de energía solar
Modelo | Serie BIM-6606 |
Rango de longitud de onda | 200nm-1100nm opcional |
Resolución | 0,1 nm |
Conector de fibra | SMA905 |
Tipo de detector | Hamamatsu S13496, matriz lineal CMOS |
Detector de píxeles | 4096 píxel, cada píxel 7µm × 200µm |
Relación señal a ruido | 600:1 espectro completo |
Resolución A/D | 16 bits |
Tiempo de integración | 0,5 MS-65S |
Rango dinámico | 10000:1 |
Modelo de gatillo | Modo normal, software, hardware, disparador de sincronización |
Consumo de energía | 250mA,5VDC |
Temperatura de funcionamiento | 5 ℃-35 ℃(25 ℃ recomendado) |
Interfaz de comunicación | USB2.0(12Mbps) RS232(115200bps) |
Sistema de la operación | Win XP,Win7,Win8,Win10 |
Linealidad | > 99% |
Fuente de alimentación | USB |
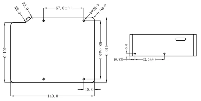
Dimensión | 140mm x 110mm x 46mm |
Peso | 0,7Kg |
# | Descripción DE LA PARTE | Cantidad |
1 | Espectrómetro | 1 |
2 | Cable USB | 1 |
3 | Informe de calibración (QRCode para descargar software y manual) | 1 |
4 | Caja de embalaje | 1 |
Modelo | Modelo con configuración | Rango de longitud de onda | Resolución |
BIM-6606-01 | BIM-6606-01-S03L00F00G14 | 200-420 Nm | ~ 0,3 nm |
BIM-6606-02 | BIM-6606-02-S01L00F06G11 | 200-1000 nm | ~ 0,8 nm |
BIM-6606-03 | BIM-6606-03-S02L00F05G12 | 380-900 nm | ~ 0,8 nm |
BIM-6606-04 | BIM-6606-04-S02L00F00G23 | 305-595 nm | ~ 0,3 nm |
BIM-6606-05 | BIM-6606-05-S02L01F08G08 | 900-1000 nm | ~ 0,15 nm |
BIM-6606-06 | BIM-6606-06-S01L00F08G26 | 600-1100 nm | ~ 0,6 nm |
BIM-6606-07 | BIM-6606-07-S02L00F05G25 | 330-770 nm | ~ 0,7 nm |
BIM-6606-08 | BIM-6606-08-S02L00F00G10 | 500-720 nm | ~ 0,2 nm |
BIM-6606-09 | BIM-6606-09-S01L01F08G27 | 800-1000 nm | ~ 0,2 nm |
BIM-6606-10 | BIM-6606-10-S02L00F00G08 | 250-400 nm | ~ 0,15 nm |
BIM-6606-11 | BIM-6606-11-S02L00F00G10 | 390-610 nm | ~ 0,2 nm |
BIM-6606-12 | BIM-6606-12-S01L00F06G11 | 300-1100 nm | ~ 0,8 nm |
BIM-6606-13 | BIM-6606-13-S02L00F05G12 | 340-850 nm | ~ 0,9 nm |
BIM-6606-14 | BIM-6606-14-S01L01F08G08 | 795-905 nm | ~ 0,1 nm |
BIM-6606-15 | BIM-6606-15-S02L01F08G08 | 1005-1080 nm | ~ 0,15 nm |
BIM-6606-16 | BIM-6606-16-S02L00F08G08 | 750-870 nm | ~ 0,15 nm |
BIM-6606-17 | BIM-6606-17-S02L00F00G30 | 250-350 nm | ~ 0,1 nm |
BIM-6606-18 | BIM-6606-18-S02L00F00G30 | 350-450 nm | ~ 0,1 nm |
BIM-6606-19 | BIM-6606-19-S01L01F08G30 | 660-734 nm | ~ 0,1 nm |
BIM-6606-20 | BIM-6606-20-S01L01F05G25 | 350-795 nm | ~ 0,4 nm |
BIM-6606-21 | BIM-6606-21-S01L01F08G10 | 600-810 nm | ~ 0,15 nm |
Software de espectro BSV
